
| 型号 | L | h | B | b | n-φd | 进口法兰(J) | 出口法兰(J) | ||||||
| Djn | Dj | Dj2 | n-φd | Dcn | Dc | Dc2 | n-φdc | ||||||
| XBD**/**-25LG | 130 | 85 | 230 | 190 | 4-φ18 | 25 | 115 | 85 | 4-M12 | 25 | 115 | 85 | 4-φ14 |
| XBD**/**-32LG | 145 | 63 | 260 | 220 | 4-φ18 | 32 | 140 | 100 | 4-M16 | 32 | 140 | 100 | 4-φ18 |
| XBD**/**-40LG | 145 | 70 | 260 | 220 | 4-φ18 | 40 | 150 | 110 | 4-M16 | 40 | 150 | 110 | 4-φ18 |
| XBD**/**-50LG | 180 | 80 | 300 | 248 | 4-φ23 | 50 | 165 | 125 | 4-M16 | 50 | 165 | 125 | 4-φ18 |
| XBD**/**-65LG | 180 | 90 | 300 | 248 | 4-φ23 | 65 | 185 | 145 | 4-M16 | 65 | 185 | 145 | 4-φ18 |
| XBD**/**-80LG | 187 | 112 | 315 | 272 | 4-φ23 | 80 | 200 | 160 | 8-M16 | 80 | 200 | 160 | 8-φ18 |
| XBD**/**-100LG | 187 | 122 | 315 | 272 | 4-φ23 | 100 | 220 | 180 | 8-M16 | 100 | 220 | 180 | 8-φ18 |

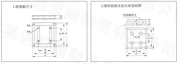
| 型号 | 联接板尺寸 | 刚性联接水泥台座基础尺寸 | ||||||||||
| A×A | B×B | C×C | H | d1 | d2 | D×D | E×E | F×F | H | d | h | |
| XBD**/**-25LG | 190 | 340 | 400 | 60 | φ14或φ18 | φ18 | 191 | 500 | 550 | 250 | 60 | 200 |
| XBD**/**-32LG | 220 | 440 | 500 | 60 | φ14或φ18 | φ18 | 219 | 500 | 550 | 250 | 60 | 200 |
| XBD**/**-40LG | 220 | 440 | 500 | 60 | φ14或φ18 | φ24 | 219 | 500 | 550 | 250 | 80 | 250 |
| XBD**/**-50LG | 248 | 540 | 600 | 60 | φ18或φ22 | φ24 | 248 | 550 | 600 | 350 | 80 | 250 |
| XBD**/**-65LG | 248 | 540 | 600 | 60 | φ18或φ22 | φ24 | 248 | 550 | 600 | 350 | 80 | 250 |
| XBD**/**-80LG | 272 | 540 | 600 | 60 | φ18或φ22 | φ24 | 272 | 600 | 650 | 350 | 80 | 250 |
| XBD**/**-100LG | 272 | 540 | 600 | 60 | φ22 | φ24 | 272 | 600 | 650 | 350 | 80 | 250 |
1、安装前应检查有无杂质在泵的流道内。
2、泵安装位置应尽可能靠近水源处。
3、泵与底座安装有两种方式,一种是直接装在水泥基础上的刚性连接,另一种是采用JGD型减振器安装的柔性连接。
4、直接安装中将泵放在基础上垫高30~40毫米(准备充填水泥浆之用),然后进行校正,并穿好地脚螺栓,充填水泥砂浆,经3~5开 水泥干涸后,重新校正,待水泥完全干涸后,拧紧地脚螺栓的螺母。
5、安装管路时,进、出水管路都应有各自的支承,不应使泵的法兰承受过大的管路重量。
6、泵用于有吸程场合,进水管端应装有底阀,并且进口管路不应有过多弯道。同时不得有漏水、漏气现象存在。
7、在进口管路上最好装在过滤网,以防杂质进入叶轮内部。滤网的有交面积应是进水管面积3~4倍,以保证液体的自由畅通。
8、为了维护和使用方便安全,在泵的进口管路上安装一只球阀和在泵出口附近安装一只压力表,并在压力表前面安装一只自位阀(防水
锤),以保证泵在额定范围内运行,确保泵的正常运行和使用寿命。
9、进口如需扩径连接,请选用偏心异径管道接头。
一、起动
1、泵用于有吸程场合,即进口为负压时,应先向进口路中进行灌水排气或用真空泵引水,使水充满整个泵和进口管路,注意进口管路必 须密封,不得有漏气现象存在。
2、关闭出口管上的闸阀及压力计旋塞,以减小起动电流。
3、用手转动转子几圈,使轴承润滑并检查泵内叶轮和密封环动转有无碰擦,如转不动,不应起动,直至找出故障原因为止。
4、试起动, 电机转向应和泵上的箭头指向一致,打开压力计旋塞。
5、当转子达到正常运转后,压力计显示出压力时,逐渐打开出口闸阀,调节至所需工况。
二、运转
1、泵在运转时,必须注意观察仪表读数,尽量使泵在铭牌规定的流量扬程附近工作,严防大流量运行。
2、定时检查电机电流值不应超过额定电流。
3、泵的轴承温度不得高于75℃ ,并不得超过外界温度35℃。
4、易损件磨损过不应及时更换。
5、发现异常现象,立即停机检查原因。
三、停车
1、关闭出水管路上的闸阀,关闭真空表旋塞。
2、停止电机,然后关闭压力计旋塞。
3、如有冬季寒冷季节,应将泵内液体放尽,以免冻裂。
4、长期停止使用,应将泵拆卸,清洗上油,妥善保管。
运行中的维护和保养
1、进水管路必须高度密封,不能漏水、漏气;
2、禁止泵在汽蚀状态下长期运行;
3、禁止泵在大流量工况运行时,电机超电流长期运行;
4、定时检查泵运行中的电机电流值,尽量使泵在设计工况范围内运行;
5、泵在运行中应有专人看管,以免发生意外;
6、泵每运行500小时应对轴承进行加油;
7、泵进行长期运行后,由于机械磨损,使机组噪声及振动增大时,应停车检查,必要进可更换易损零件及轴承,机组大修期一般为一
年。
1、机械密封润滑液应清洁无固体颗粒;
2、严禁机械封在干磨情况下工作;
3、起动前应盘动泵(电机)几圈,以免突然起动造成机械密封断裂损坏。
泵的装配和拆卸指导
(一)部件的组装
1、将轴承、底盖装在进水段上;
2、将轴套装在主轴的下端,并用螺钉固定;
3、将导叶装进中段,末导叶装进出水段;
(二) 总装
1、先将主轴装入进水段的轴承内;
2、再将第一个叶轮进口向下套进主轴上,直至叶轮的进口与进水段配合,转动主轴是否轻快;
3、在主轴上套进一个轴套,直至与叶轮相碰;
4、将中段(已装好导叶)套进主轴并与进水段配合;
5、继续2、3、4直至完成N-1级的中段装配;
6、将最后一个叶轮进口向下套进主轴上,直至叶轮的进口与中段配合,转动主轴是否轻快;
7、垫上锁紧垫片并锁紧;
8、拧紧主轴锁紧螺母;
9、将出水段(装好末导叶)套进主轴并与中段配合;
10、旋入四根拉紧螺杆,并拧紧;
11、装上机封,并盖上机封压盖;
12、装上电机机架、电机、联轴器;
13、泵的诉卸过程按上述相反步骤进行。
(三) 注意事项
1、装配过程中不能损坏密封纸垫;
2、所有的配合面必须干净,无任何颗粒;
3、机械的端面应小涂润滑没并对中。
| 故障现象 | 可能产生的原因 | 排除方法 | ||||||||||||
| 水泵不吸水压力表和真空表指针剧烈跳动 |
|
|
||||||||||||
| 水泵不吸水真空表 表示高度真空 |
|
|
||||||||||||
| 压力表有压力 但仍不出水 |
|
|
||||||||||||
| 达不到设计流量 |
|
|
||||||||||||
| 泵消耗功率过大 |
|
|
||||||||||||
| 泵振动加大 |
|
|
(滔浪泵阀专业生产销售LG立式多级消防泵)
因产品生产批次、型号不同,产品图片及外形尺寸等仅供参考,详情可联系我们的销售人员
| 配件编号 | 配件名称 | 规格 | 材质 | 单位 | 定性 | 价格(元) | 库存 | 供货期 |
|---|