搜索
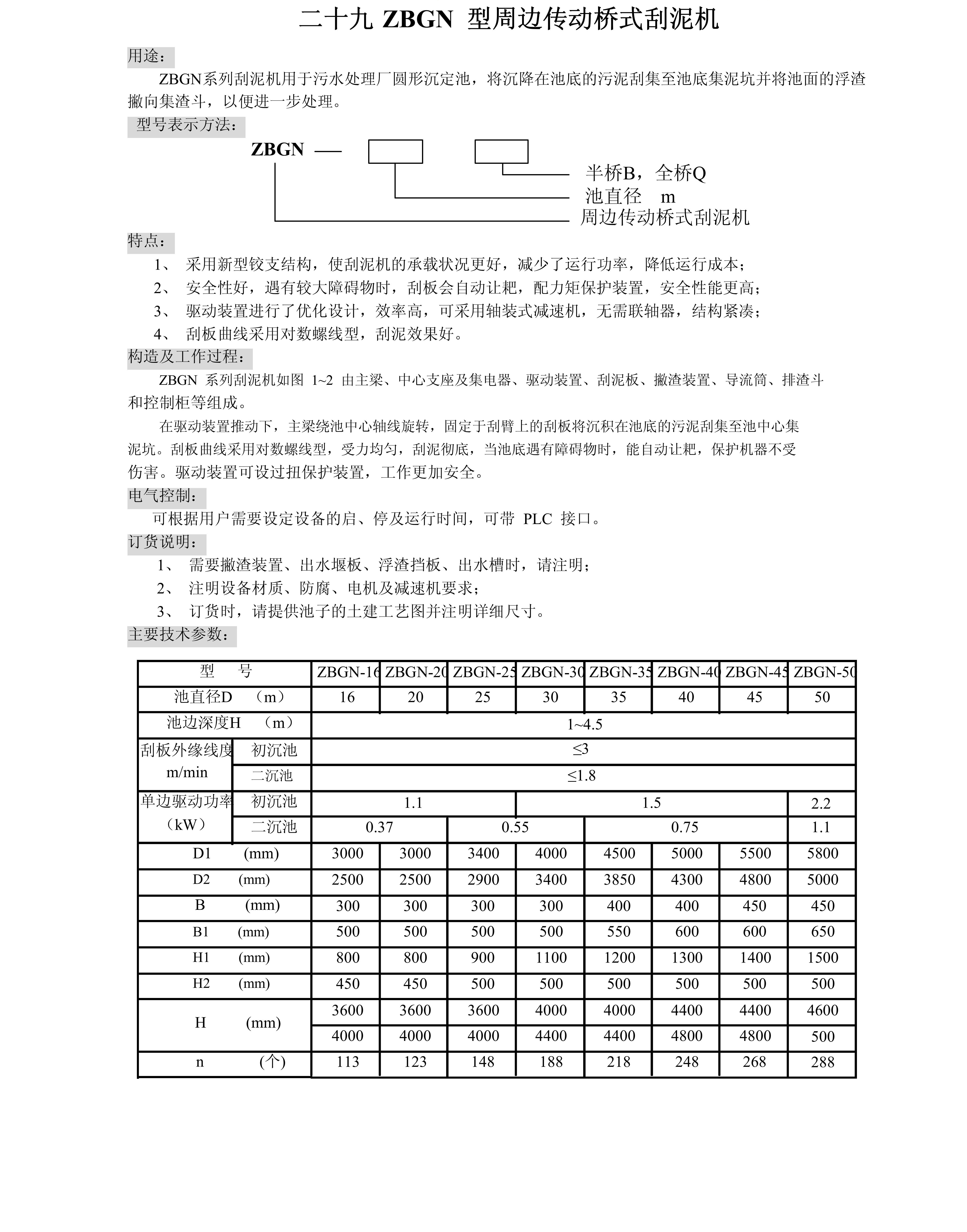
ZBGN 型周边传动桥式刮泥机
¥议价
STWX箱式管网叠压(无负压)供水设备(2)
STWX
价格:议价
气压给水成套设备
供水系统
LSSF 型螺旋式砂水分离器
LSSF
DS型带式输送机
DS
GJH型管道混合器
GJH
厂家直销QHB,QJB不锈钢自动耦合装置污泥潜水回流泵
QJB-W
SG型钢丝绳牵引式格栅除污机
SG
ZCGN 型中心传动垂架式刮泥机
ZCGN
ST-PPS 一体化污水泵站
ST-PPS
透水板
雨水处理
价格:
品牌:
型号:
供货期:
库存:
备注: